|
DHTB系列液壓螺栓拉伸器
1:精確度高,速度快,使用安全
2:適用性強,一種型號可用于多種規格螺栓拉伸
3:適用面廣,使用簡單方便
4:配合手動,電動泵使用。
2:適用性強,一種型號可用于多種規格螺栓拉伸
3:適用面廣,使用簡單方便
4:配合手動,電動泵使用。
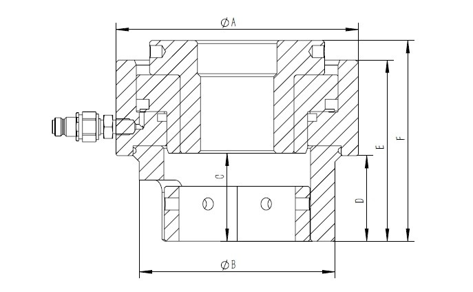
DHTB系列液壓螺栓拉伸器示意圖:
DHTB系列液壓螺栓拉伸器選型表:

產品搜索
|
DHTB系列液壓螺栓拉伸器示意圖:
DHTB系列液壓螺栓拉伸器選型表:
